English
中文
搜索
首页
开云(中国)
集团简介
集团简介
品牌文化
富华品牌理念
集团成员
集团成员
技术实力
技术实力
企业荣耀
企业荣誉
集团视频
集团视频
开云网页版·官方版在线登入
企业新闻
企业新闻
行业动态
行业动态
企业招标
暂无记录
开云(中国)
挂车系统
VALX系列车轴
卡车系统
单级减速驱动桥
工程车系统
16.8吨工程车后桥
集装箱
陆运分体式轻型拖车冷藏箱
原厂配件
车轴配件
服务中心
富华服务中心
富华服务中心
产品使用手册
产品使用说明书
VALX 学堂
VALX 学堂
挂车使用常识
用车常识
售后服务网点
售后服务网点
产品防伪查询
产品防伪查询
资料下载中心
资料下载中心
投 诉 与 建 议
投诉与建议
联系我们
采购公告
采购公告
人才招聘
人才招聘
加盟我们
加盟我们
联系方式
联系方式
首页
>
服务中心
>
产品使用手册
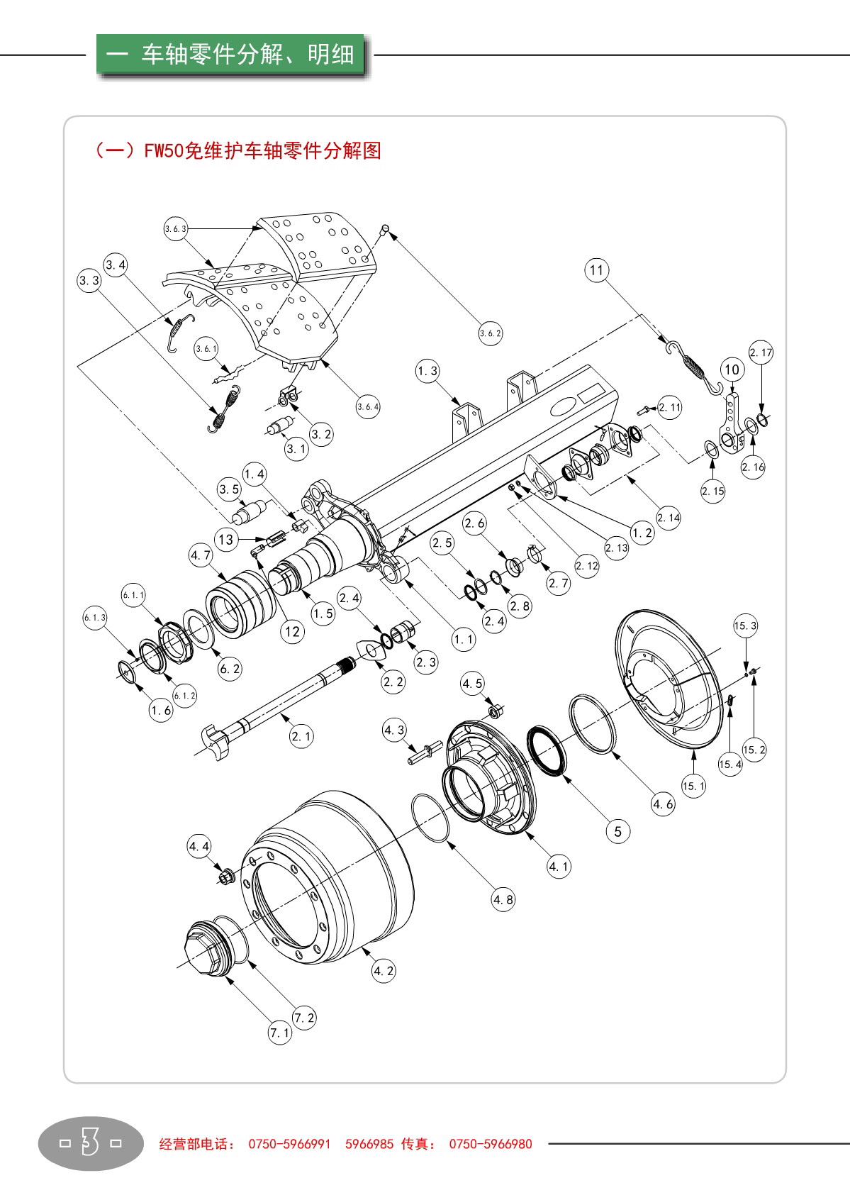
FW50免维护车轴【产品使用说明书】
发布时间:2017-02-21 17:14:21
上一篇:鞍座 · 牵引销【产品使用说明书】
下一篇:FW13耐磨板簧悬挂【产品使用说明书】
开云线上
|
开云手机站官网
|
爱游戏最新官网_爱游戏(中国)
|
开云手机网_开云(中国)
|
九游登陆入口
|
乐鱼电子(中国)有限公司官网
|
开云球赛_开云球赛中国有限公司
|
开云电子·(中国)官方网站
|
九游官方端网站在线登入
|